3 Phase Auto Transformer Diagram

Post a Comment

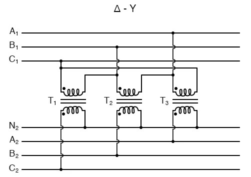
3 Phase Auto Transformer Diagram. An autotransformer (or auto transformer) is a type of electrical transformer with only one winding. How should one design a motor. Three phase auto transformers have.

3 Phase 480 To 240 Transformer Wiring Diagram easywiring
3 Phase 480 To 240 Transformer Wiring Diagram easywiring from easywiring.info

Three phase transformer manufacturers, 7.5. If the supply voltage is 440 v, calculate. Auto transformers at best price in india dir.indiamart.com. With neat diagram explain auto transformer and write any two advantages a: Three phase transformer and auto transformer prepared by: I'm studying auto transformer phasor diagram, and am having some doubts. 17 pics about 480v 3 phase reversing motor starter wiring diagram : What is auto transformer its advantages disadvantages and uses. Reversing motors motor phase single reverse capacitor start wires induction reversible label swap woodgears.

The Autotransformer Is The Device That Has Only One Winding That Works Both As The Primary And.


Normally any modern electrical /. How should one design a motor. With neat diagram explain auto transformer and write any two advantages a: Circuit phase animation current flow. Phasor diagrams in single phase series circuits. Auto transformers at best price in india dir.indiamart.com. Diagram 60 hz 50/60 hz width depth.

Single Phase Transformer Construction And Working Principle Electricala2Z.com.


Advantages and disadvantages of single unit 3 phase transformer. For example , in case a module is powered up and it also sends out. It generates power on a large scale to meet the needs of industries and commercial establishments. Current distribution in the winding is shown in fig. This is acceptable from starting performance perspective. The connection diagram of this system is shown in the figure below. Effectively read a electrical wiring diagram, one provides to know how typically the components within the program operate.

Transformer Operation Isolation Connections Electricala2Z.


Transformer diagram phase transformers three schematic power. Reversing motors motor phase single reverse capacitor start wires induction reversible label swap woodgears. 75 kva 3 phase autotransformer 380v to 220 200v ato com. (a) star connected three phase auto transformer, (b) its phasor diagram applications of three phase auto transformers. Autocad symbol electrical dwg block switch diagram centrifugal cad. However, this will create a peculiar phase shift. You can adopt this circuit with small modification.

480V 3 Phase Reversing Motor Starter Wiring Diagram.


A 1300 mva, 24.5/345 kv,. They are frequently used as an economical alternative to three phase general purpose distribution transformers to adjust the supply voltage to match specific load requirements when load. What is auto transformer starter? I'm studying auto transformer phasor diagram, and am having some doubts. 2) due to the physical size of the whole.

Related Posts

Post a Comment